標準機

- 17751223052
- 江蘇省昆山市周市鎮昆太路228號5號房
電話:17751223052
QQ:&Site=%E5%92%A8%E8%AF%A2&Menu=yes">
郵箱:yangwenyen@163.com
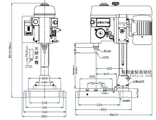
JT1-203立式自動攻牙機



回轉一牙距的精密自動輸送組合:
裝置可替換的A、B齒輪配合A、B軸軸與主軸依牙距推進完全配合(以往沒有這種裝置),這種組合有以下優點:
垂直穩定、精確而安全:精密度相當高,絲攻在前進與后退時不必出力就能運轉自如,而產制優良的加工物品,不會造成精細不同的螺紋產,對薄板的沖床加工制品或輕合金屬,合成樹脂等軟質制品也能制成完美的螺紋。絕無品質不穩定或不良現象產生。
采用等距攻牙,工件不會往上跳。
采用等距攻牙,工件不用壓緊,裝夾簡便、效率高
可高速連續循環運轉,堅固耐用:
采用特殊馬達、電子按鍵,能耐用一千萬轉次。
| 配置名稱 | 規格 |
| JT1-203自動攻牙機 | 立式型(鈦陽金鉆牌) |
| 重量約: | 97KG |
| 主軸沖程最大: | 45 mm |
| 旋徑: | 330 mm |
| 頭部之上下動距: | 260 mm |
| 主軸和臺面最大距離: | 350 mm |
| 工作臺尺寸: | 260*260 mm |
| 基礎面積: | 415*300 mm |
| 馬達: | 1HP 4P 750W |
| 主軸回轉數: | 50HZ :1340,760,420 60HZ : 1600,900,500(轉) |
| 符合本機器使用之自動送給螺距: | (1)每英寸牙數:64,56,48,44,40,32,28,24,20,18,16 (2)mm: 0.2,0.25,0.3,0.35,0.4,0.45,0.5,0.6,0.7,0.75,0.8,0.9,1.0,1.25,(11.5) |
| 螺牙直徑: | M1-M10 |
| 多軸最大能力: | M3x10軸 M4x5軸 M5x2軸 |
| 適用于小零件之精密攻牙,附扭力限制之轉動機構,刀具不易折斷。對沒有通孔攻牙更加適用。 | |
| ※標準配件: A.工具箱1只 B.牙距齒輪2組 (1組機臺內,1組工具箱內,規格由客戶指定)。 | |

